Автокран Клинцы КС-55713-1К, КС55713-3К, КС55713-5К, КС55713-6К, КС55713-7К.
запчасти и аналоги
доставка в любой регион
паспорта и сертификаты
консультации
Не нашли ваш город в списке? Напишите нашему менеджеру в JivoChat
- Описание
- Характеристики
- Доставка и оплата
- Гарантия
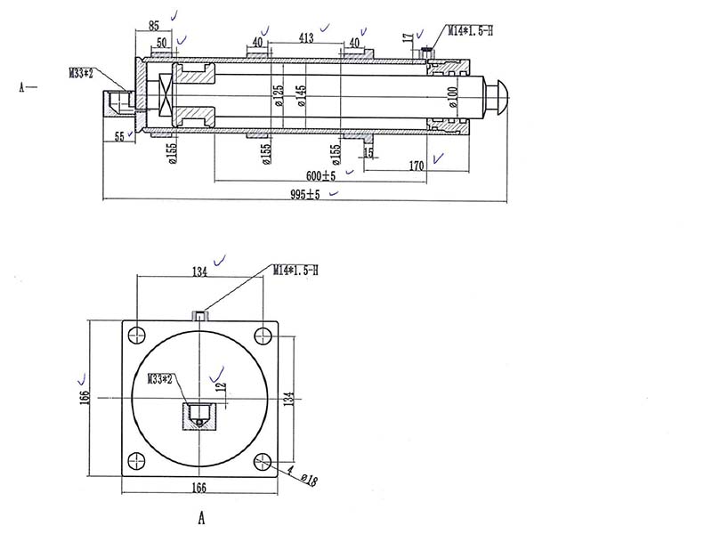
Гидроцилиндр вывешивания опор КС-55713-1К.31.200, ГЦ-125.100.600 автокрана Клинцы. Предназначен под установку круглого замка. Используется, чтобы разгрузить автомобильное шасси от излишних нагрузок и выравнивания автокрана в горизонтальной плоскости. Может работать в любых рабочих положениях, при этом гарантирует устойчивость штока.
Конец штока гидравлического цилиндра представлен в виде опоры с головкой в форме сферы. Для нормальной работы гидравлического цилиндра КС-55713-1К.31.200 необходимо использовать масла с вязкостью от 10 до 1500 сСт.
Гидроцилиндр вывешивания опор КС-55713-1К.31.200, ГЦ-125.100.600 (125.100х600.55) есть в наличии на нашем складе. Вы можете приобрести оригинальную запчасть или её аналог — менеджеры помогут выбрать, что подойдет для вашей спецтехники. Действует система скидок. О текущих акциях узнавайте у консультанта. Отгрузка запчасти в день оплаты, подберём транспортную компанию, удобную для вас и выгодную по стоимости доставки. Внимательно проверяем груз перед отправкой. На товар действует гарантия 6 месяцев. Если у вас есть вопросы по работе узла, механизма или агрегата, технические специалисты «Компании УралМ» помогут разобраться. Не нашли нужных комплектующих в каталоге запчастей? Напишите нам в чат, через форму на сайте или закажите звонок. Мы свяжемся с вами и подберём то, что нужно. Данное предложение не является публичной офертой.
